location ITT SENSOR TSIO-520
Have problems with your aircraft? Maybe just questions about how best to tune or adjust something? Regs or maintenance? Need to know the best way to do something?
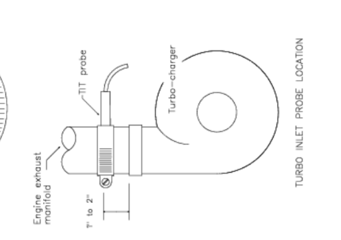
Hi guys , According to the attached diagram, does anyone know where the ITT sensor would be installed?
we do not understand where it is placed, on the exhaust side as I indicate in the photo with red or on the top side where I indicate in blue.
-

-

- Sin título.png (29.05 KiB) Viewed 664 times
-
patrokop offline

-
Posts:
9
- Joined: Sat Sep 28, 2019 6:27 am
- Location: mercedes
- Aircraft: Cessna 180-H 1965
-
It is close to where you have the blue dot.
Exhaust comes out of the cylinder into the collector then goes into the turbo where there is a flange. The probe according to the diagram goes 1-2” upstream of the flange where the collector bolts to the turbo.
Your blue dot looks like its too far upstream.
-
TangoFox offline

-
Posts:
621
- Joined: Fri Aug 21, 2009 7:06 am
- Location: Where the wind takes me
-
Keep the Greasy side down!
Hi Tangofox , thank you for response!!!
best regards
Patricio
-
patrokop offline

-
Posts:
9
- Joined: Sat Sep 28, 2019 6:27 am
- Location: mercedes
- Aircraft: Cessna 180-H 1965
-
DISPLAY OPTIONS
Who is online
Users browsing this forum: No registered users and 1 guest